How do chips in the tool chuck cause defects?
In an ATC machining center, defects can be generated during ATC when chips get into the space between the tool taper and the main spindle. For years, machining centers have looked for a solution to this problem, which is particularly prevalent during high-speed cutting of aluminum.
Monitoring high-speed cutting of aluminum
Because of shorter processing times, reductions in the amounts of coolants, and other
aluminum process demands, the frequency of chips getting into the tool taper during
ATC is increasing. During high-speed cutting of aluminum in particular, a measurement
instrument must be able to detect 100% of chip invasion into the tool taper, so
defects are not generated.
0.3 second measuring time
An eddy-current sensor allows measurement in a mere 0.3 seconds (at 600 rpm).
Since the measuring tool is selectable, measuring time is not affected by the cycle
time. A dedicated run-out detection system algorithm (patent pending) calculates true
run-out for detection capability that cannot be achieved by commercially available
eddy sensors. All of this means that the system delivers precise, reliable detection in
an automated line.
Low cost, integrated type
By connecting a PC to this device, you can set up parameters and collect
measurement data. This device need not be connected to a PC when
performing regular measurement. All NC communication has been incorporated
in to the OK/NG functions, which greatly reduces cost. Because
of all of this, this system is being adopted by many machine tool manufacturers.
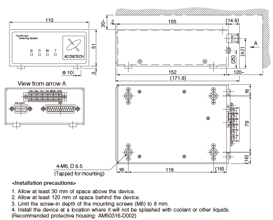
Controller

Sensor head

Display unit

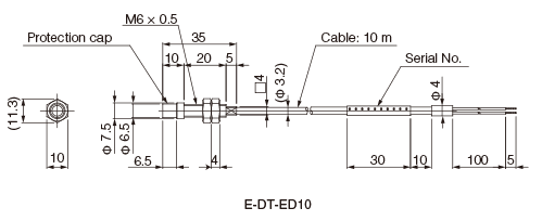
Precautions for sensor head mounting
Note 1: Do not extend or cut the sensor head cable.
Prepare a cable in an appropriate length by confirming the cable layout.
Use a two-way device when cutting the cable for connecting the terminal.
Note 2: Although the sensor head is tested in accordance with waterproofing
structure (Protective class IP 67) and anti-coolant characteristic test,
it does not mean that it is guaranteed for all type of coolant.
Note 3: Replaceable “Protective cap” is equipped in the sensor head for
abrasion protection against chips. Do not remove this “Protective cap”
when the system is operating.
Note 4: Use protective pipe for sensor head cables to protect from chips.
Maintain the cable bending more than R>35 mm (1.4” approx).
Note 5: Do not use the sensor head cable as it is wound.





